设为首页
|
加入收藏 |
联系我们
首页
公司简介
产品展示
下载中心
工程案例
在线留言
联系我们
产品列表
PLC
·
信捷
·
三菱
触摸屏
·
信捷
·
威纶
南方安华变频器
·
8000B系列增强型变频器
·
ATV13系列经济型变频器
·
S350系列矢量变频器
·
行业定制机
伺服驱动
·
东元伺服
·
信捷伺服
仪表
·
岗田温控表
·
Autonics 计数器
下载中心
MORE>>
·
智能水泵变频控制
9/6
·
ATV13系列经
8/30
·
TSTA系列标准
8/2
·
S300定长分切
7/19
·
常州展力自动化设
7/5
联系我们
MORE>>
产品展示
当前位置:
首页>>
产品展示
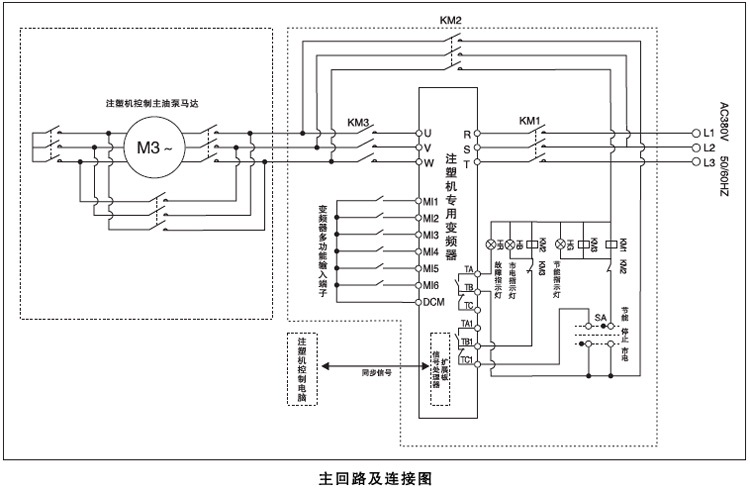
S306注塑机专用变频器
详细介绍
首页
|
公司简介
|
产品展示
|
下载中心
|
工程案例
|
在线留言
|
联系我们
Corporation @2012 常州展力自动化设备有限公司
苏ICP备2025185039号-1
版权所有